This thread has been locked.

If you have a related question, please click the "Ask a related question" button in the top right corner. The newly created question will be automatically linked to this question.

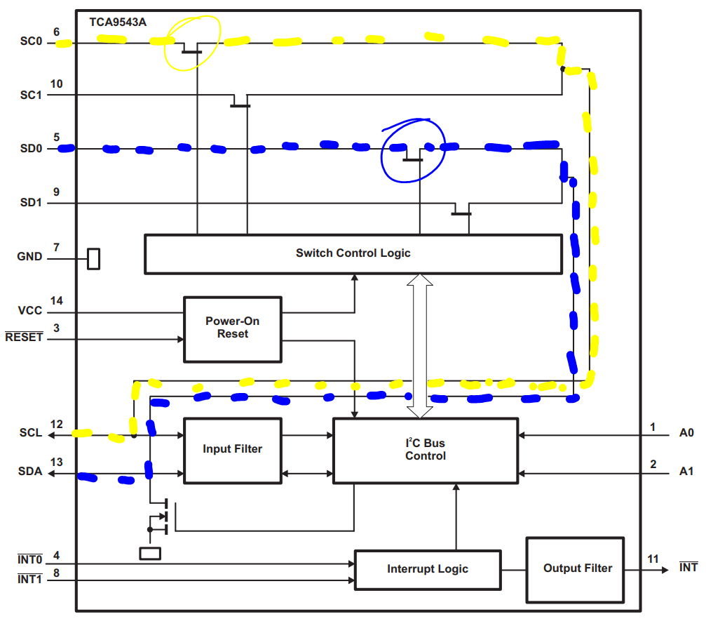
TCA9555: Does this part act as a buffer and a switch?

Part Number: TCA9555
Other Parts Discussed in Thread: TCA9543A

Hi team,

Asking this Q on behalf of my customer-

One of the I2C busses that I am switching to is off my board (connecting to it through cable). Therefore, I am considering putting in an I2C buffer after the TCA9555.

My question is: does the TCA9555 act as both a buffer and an I2C switch?

Or, is it only an I2C switch? I am asking, because if it also acts as a buffer, if I add another buffer afterwards, that buffer will be redundant.

 

Thanks,
Lauren