This thread has been locked.

If you have a related question, please click the "Ask a related question" button in the top right corner. The newly created question will be automatically linked to this question.

DS90UB953-Q1: About signal transmision failure.

Part Number: DS90UB953-Q1

Hi TI Expert,

Following this post,

We  still have a question,

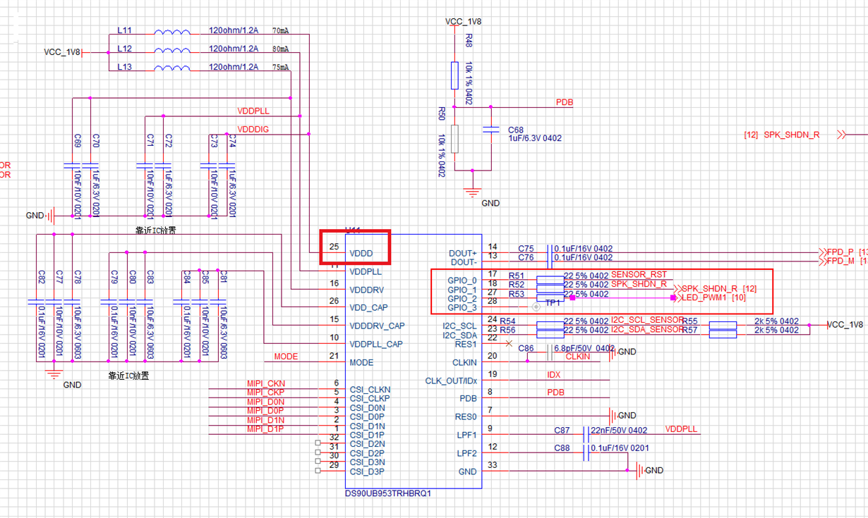
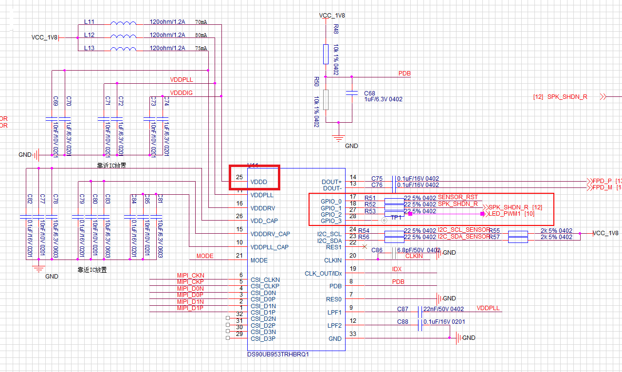
When debugging DS90UB954TRGZRQ1 and DS90UB953TRHBRQ1, DS90UB954TRGZRQ1 GPIO1 is transmitted through DS90UB954TRGZRQ1 GPIO1, and the transmission waveform is as follows.As long as the transmission is set up, the VDDD of DS90UB953TRHBRQ1 will short circuit with the ground. Try to disconnect the peripheral connected to DS90UB953TRHBRQ1 GPIO1, but this problem will still occur. Please help to analyze it.

Two pulses with a pulse width of 5us, The level is 1.8V with a peak of 1.85V.