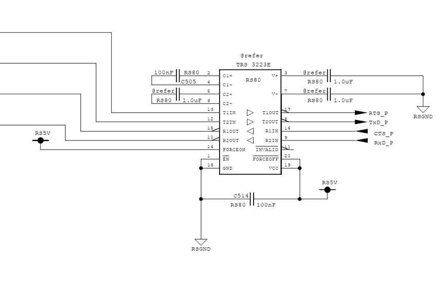
Part Number: TRS3223E
Hello team,
for p2p drop in into an existing socket the TRS3223E would see slightly higher cap values than we are suggesting in the datasheet. Supply voltage is 5V. Please see attached. Can you confirm that C5050 with 100nF and the 1uF caps instead of 470nF can be used? This would ease the drop in.
Lutz
