Part Number: TCA9803
Other Parts Discussed in Thread: TXS0102, TCA9543A
Hello,
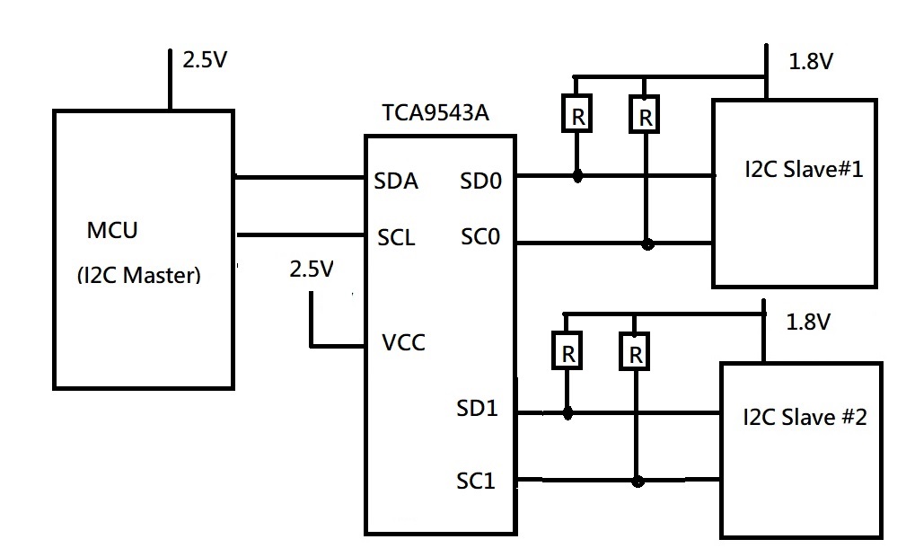
I am designing an application which need to shift 2.5V signal/clk from MCU to two slave devices with 1.8V (VCC).
I also need to disable one of the slave device while the other slave device is working. Can you advise how to
use TCA9803 and TXS0102 in this application?
Best Regards,
David

