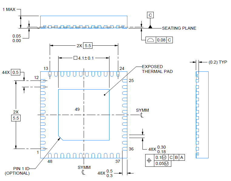
Hi Team,
There are two kinds of thermal pads in the DS, which kind should the customer follow?
The small one is as same as the footprint, the bigger one is only for the better thermal performance? Thank you.
Best regards,
Mike
This thread has been locked.
If you have a related question, please click the "Ask a related question" button in the top right corner. The newly created question will be automatically linked to this question.
Hi Team,
There are two kinds of thermal pads in the DS, which kind should the customer follow?
The small one is as same as the footprint, the bigger one is only for the better thermal performance? Thank you.
Best regards,
Mike
Mike
Are you referring to the DP130, not the DP120 thermal pad size? TI constantly upgrades its package for improved performance, so please use the latest RGZ0048D for the thermal pad size.
Thanks
David
Hi David,
Sorry, I refer DP130. Thanks for reply, we will follow the latest one.
Best regards,
Mike