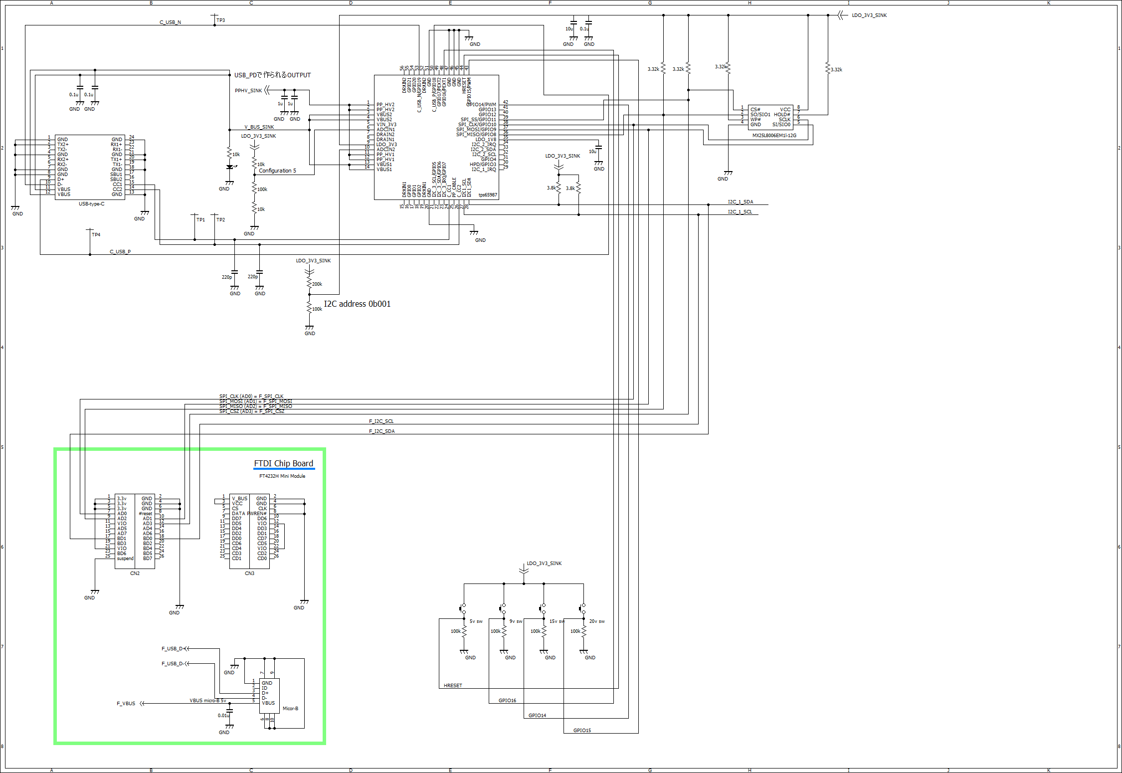
Part Number: TPS65987DDJ
Dear all.
I would like ask you about "TPS65987DDJ".
I am designing a board, using in above.
I have been troubled in following issue.
When you connect your own board to the USB-PD adapter and turn on the power, 5V is generated.
9V, 15V, 20V also generate voltage when you press each button.
The 5V button is connected to the HRESET terminal with a pull-down connection.
If you press here, the voltage will be 0V and will not be reset.
At that time, the VBUS voltage does not change.
This circuit is based on USB-C-PD-DUO-EVM.
USB-C-PD-DUO-EVM will reset when you press the 5V button.
I would be grateful if you have any resolusion in above.
Best regard.
susumu kikuchi.



