This thread has been locked.

If you have a related question, please click the "Ask a related question" button in the top right corner. The newly created question will be automatically linked to this question.

DP83867IR: PHY1_RX1588 and PHY1_TX1588 pin handling

Part Number: DP83867IR
Other Parts Discussed in Thread: AM3354, , AM3359

Hi,

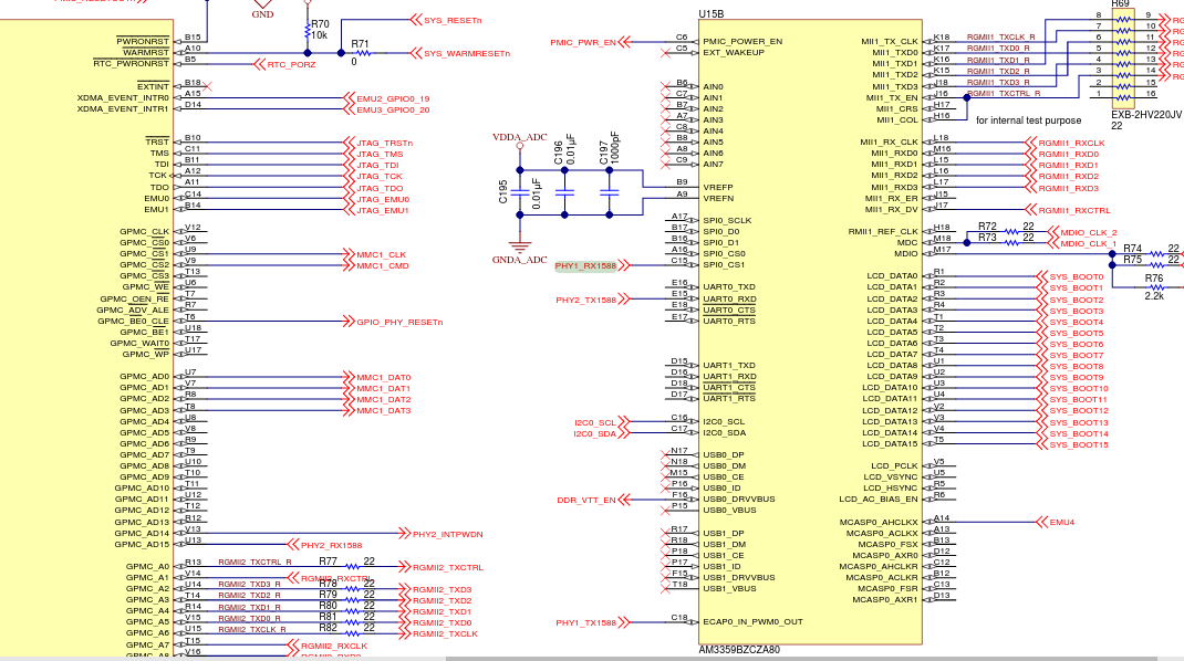
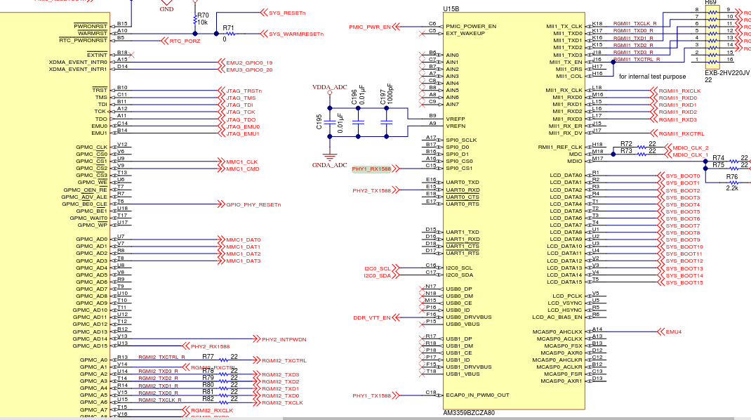
I am interfacing DP83867IR with am3354 processor. I have a query regarding the PHY1_RX1588 and PHY1_TX1588 pins which is connected to the processor from PHY. It seems that in the pdf which I am attaching, which is provided by TI, tidrdr0a.pdf

On page 7,

The PHY1_RX1588 and PHY1_TX1588 pins are connected to the processor. I just wanted to know the use of that pins and where and how are they using the pins. Is it handled internally by the driver or does user have to so anything with that pin.

It will also be helpful if you can share any code or other information related to this pins.

Thanks & Regards,

Vibhu

  • Hi Vibhu,

    We are looking into your question and will provide feedback by Tuesday next week.

    Thank you,

    Nikhil

  • Hi Vibhu,

    Based on the naming convention of the trace, it is likely that the GPIO pins RX_D5 and RX_D6 are configured for RX 1588 SFD and TX 1588 SFD signals. This may be done through register 0x171. Setting 0x171 Bits[11:8] =  0x1 sets RX_D6 for 1588 TX SFD. Setting 0x171 Bits[7:4] = 0x2 sets RX_D5 for 1588 RX SFD. Refer to section 8.3.2 in the datasheet for more information on the SFD pulses. Please let me know if I can assist you further.

    Thank you,

    Nikhil

  • Hi Nikhil,

    I wanted to know how it is handled in the MAC(AM3359 according to the schematic). I read the data sheet and I am aware on how to configure it in the PHY. But I wanted to know how it is handled in the processor. How is it being configured and where it is being configured in the Processor(MAC)(AM3359). I am using AM3354 and those pins from the PHY are connected to gpio pins in my processor. How to handle it in processor ?

  • Hi Vibhu,

    If you are asking about how to configure the processor to handle the SFD signals from the PHY, this question may be outside the scope of this forum and more suited for the processor forum. If you have a physical layer PHY related question we will be happy to assist as best we can. Else, I will close this thread. 

    Thank you,

    Nikhil