Part Number: TUSB8042A
Hi,
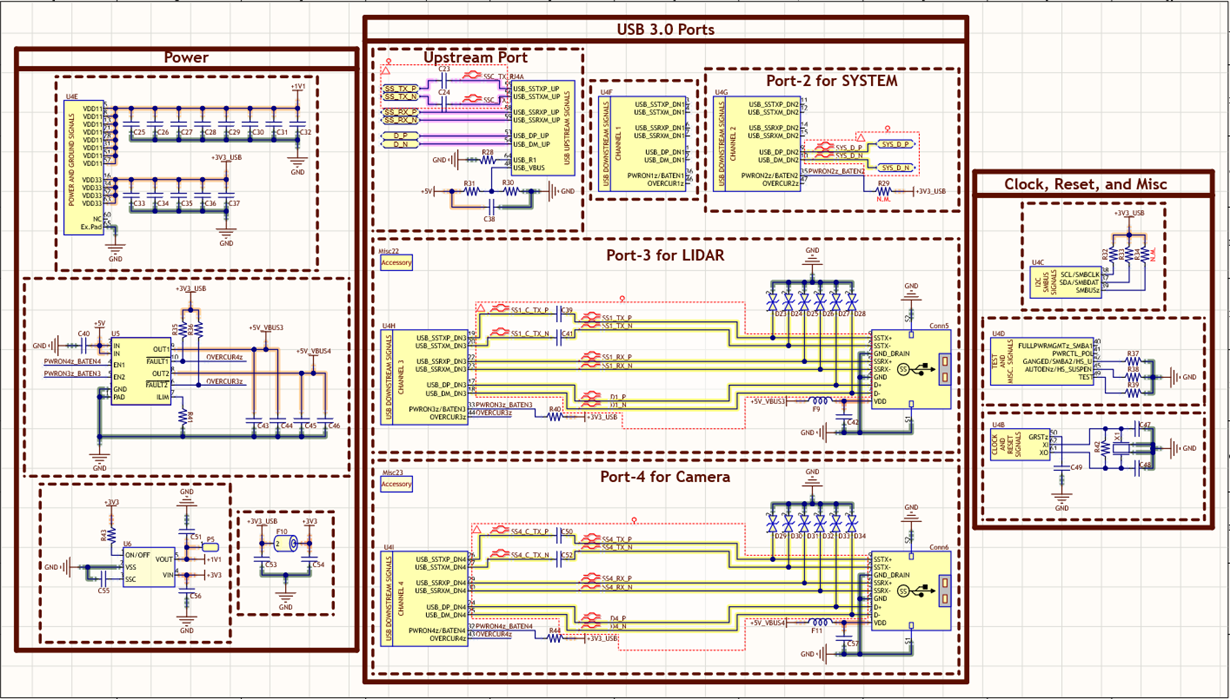
We are using Texas Instruments' TUSB8042A chip in one of our projects. We have received the schematic drawings of the TUSB8042A chip on the datasheet. The schematic page we created is attached. As indicated in the attached schematic, we use USB Hub's 2-3 and 4th ports. When we connect the TUSB8042A chip to the computer, we confirm that the chip is seen by the computer as 'Generic USB HUB' in the device manager. Also we cannot see the USB memory in any of the ports of USB_Hub on the computer side. 3.3V and 1.1V supply of the chip work smoothly. On the chip's datasheet, there is an inscription saying 'VDD must be at least 10 µs stable before VDD33'. The triggered state of the input supply for it is attached. 24Mhz crystal output externally connected to the TUSB8042A chip is attached. Do we need to do any programming on the basis of register in order to use the USB ports of the chip? I await your suggestions on this subject. I wish you good work.
Best Regards
Furkan


