This thread has been locked.

If you have a related question, please click the "Ask a related question" button in the top right corner. The newly created question will be automatically linked to this question.

DS90UB953-Q1: occasionally host can not find 953 through I2C

Part Number: DS90UB953-Q1

Hello

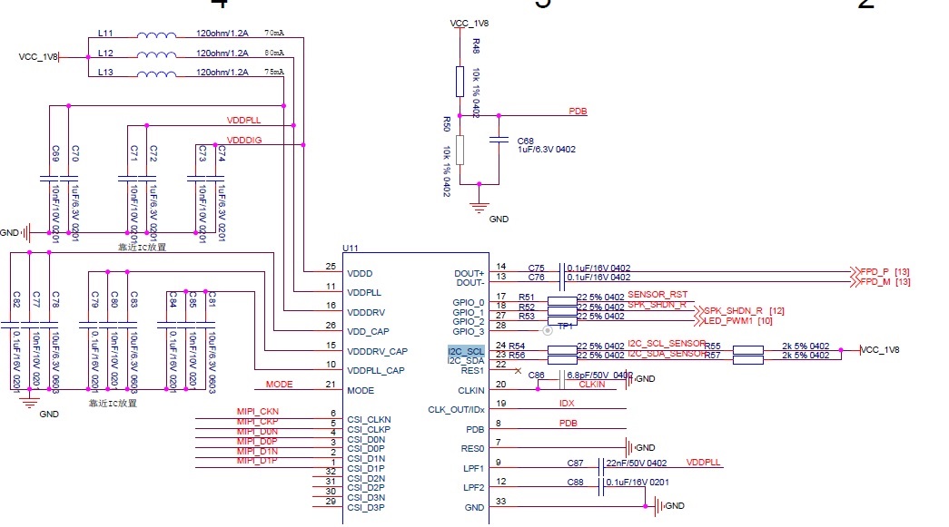
Here is a system using 953 and 954 .  After a pilot production. There are about 10% productions would come across a question  that some times,after power up, host can not find 953 through the 954's I2C, while lock signal of 954 is high. And after a external reset on 953 PDB pin(manually) , It will be OK, host can find 953 .

Below is the schematic of 953. Is there any problem?

Best regards

Nick Li