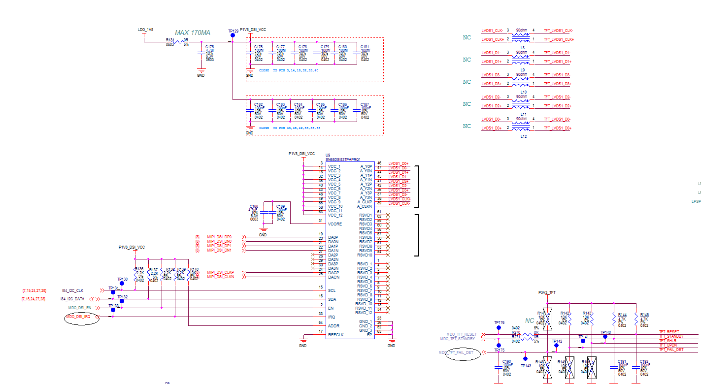
Dear team,
Could you please help review the schematic?
Thanks & Best Regards,
Sherry
This thread has been locked.
If you have a related question, please click the "Ask a related question" button in the top right corner. The newly created question will be automatically linked to this question.
Dear team,
Could you please help review the schematic?
Thanks & Best Regards,
Sherry
Hi Sherry,
Below are my comments:
1. IRQ should not have a pull-up resistor. It can be directly connected to the processor.
2. Ensure the EN pin can be controlled in accordance with the timing of the initialization sequence in the datasheet.
3. It looks like 2 DSI data lanes are unused. Check the DSI CLK equation in this FAQ to ensure the DSI83 can support the required resolution: https://e2e.ti.com/support/interface/f/138/p/945185/3491595#3491595 Note the supported DSI CLK frequency range is 40 MHz to 500 MHz.
Regards,
I.K.