This thread has been locked.

If you have a related question, please click the "Ask a related question" button in the top right corner. The newly created question will be automatically linked to this question.

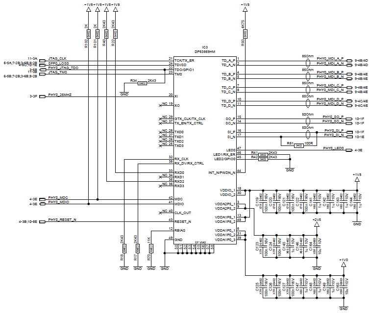
DP83869HM: 1000Mbit/100Mbit Copper to Fiber Media Converter Board

Part Number: DP83869HM

Hello,

at the moment I`m testing a new prototype of an onboard media converter. The prototype is an PCIe extension card with an integrated ethernet controller (i225) and the DP83869HM as an converter to SFP. I have full access to the MDIO Interface of the Phy. It`s straped for an 1000MBit Copper Fiber Converter, but I configure the convertion speed depending on the plugged SFP.

Now when I configure the board for an 100MBit transmission everything works fine. But when I configure it to 1000MBit transmission, I can`t communicate with the network.

In 1000MBit mode I configure the Phy as following:

REG --> Val

0x0000 --> 0x1140

0x0010 --> 0x5048

0x01DF --> 0x0044

0x01EC --> 0x1FFC when I write to this register I loss the copper link (Windows or Linux)

0x0C00 --> 0x1140

After writting this registers I see the 1000MBit link on the copper side and an transmission on the fiber side (from the LED of an SFP switch) but I can`t reach the network.

Do you have any idea how I can fix this probelm?

Best regards,

Marco Ritter