This thread has been locked.

If you have a related question, please click the "Ask a related question" button in the top right corner. The newly created question will be automatically linked to this question.

PCA9515B: Interface forum

Part Number: PCA9515B

Hello everyone,

I hope you are doing well.

So I have a problem with the PCA9515B. I am using it as an extender with a sensor linked to the board via a cable.

The problem is as follows: There is a CRC error that appears when we use the extender, but if I link the sensor directely to the node, it works fine, the CRC is ok.

I say node, as in several I2C sensors are on the same line.

To be clear, the address is ok, the data goes through, but apparently something happens to alter the data when it goes through the extender, so that the CRC is NOK.

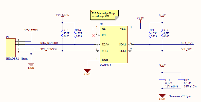
Here is the schematics: Fo info, VIN_SENS=5V

Can it be the values of the pull-up resistors that are not the same on both sides? 

Thank you!

  • Mariem,

    Thanks for bringing this to E2E. I've assigned this thread to the proper engineer, but please be patient as our teams in Dallas deal with power outages and internet being down due to severe weather.

    Regards,

  • The PCA buffers both sides, so that the pull-up resistors have different values should, by itself, not be a problem.

    But why did you choose 470 Ω? A current of 10 mA is quite a lot, and more than most devices are rated for. It is possible that the sensor cannot reliably drive the line low enough for VILc.

    Do you have oscilloscope traces (of both sides)?

    If you need high speed despite high line capacitance, consider replacing the pull-ups with a current source, e.g., LTC1694.

  • Hello Clemens,

    Sorry for this very late reply.

    Thank you for your help. It was indeed the value of the pull-ups of 470 Ohm that caused the problem. (I really cannot remember why I put this values )

    We replaced them with 4k7 and everything is working perfectly.

    Thank you again.

    Best regards,