Part Number: TPS25750
Hi TI
I'm working on a design where 3.3V and 5V is generated by two DC-DC converters in paralell. Normally the product is powerd by a 24V but for servic isses I would like to power the 3.3V rail for the uC from the USB port. I will never draw more than 500mA from the USB connector and there is no battery involved in this product. When the product is powerd on the normal supply I would like to power a device connected to the USB with maximum 500mA
Since I'm using the USB-C connector I would like to protect the product against connection of non complying power supplies.
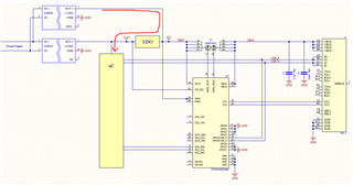
I have found that the TPS25750 should be able to solve this case. (I'm planing on using the SRSMR variant as it is the only one availeble for purchase) But I dont know if I can connect the LDO_3V3 output and the VIN_3V3 pin directly or if I need som sort of change over system in order to handle a "dead battery" condition where the normal supply is not present?
I have attached a diagram roughly outlining how I thinkt the TPS25750 should be connected for this.


