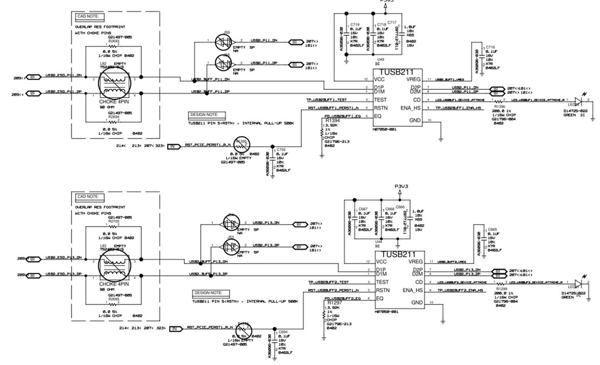
Part Number: TUSB211
Other Parts Discussed in Thread: TUSB216
Hi,
Could you please help to check the replacement.
My customer’s current design is TUSB211, need your confirm whether TUSB216 can replace TUSB211 w/o design change?
Please be noted that customer don’t need charger function.
Attach schematic as below:
