Part Number: DS90UB934-Q1
Hello Team,
I got a question from customer.
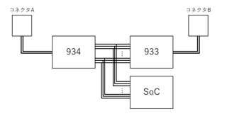
In the block diagram, customer pass through YUV422 data. Customer found that the there is the data difference between Connector A and Connector B. We can't distinguish it looks, but the binary data is different. Only The light blue has slightly different data periodically. Do you know the any possible reason of that?


Thanks,
Yuta Kurimoto