Part Number: TXB0108
Hello,
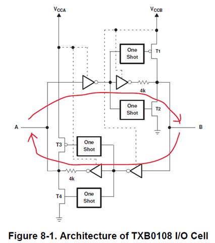
Our customer has a question how TXB0108 avoid input to output latched status when she looked at Fig.8-1. architecture by looping the signal as shown in below.
Do we understood 4k-ohm output resistance help to avoid input to output latched condition, which means an external logic signal must drive lower than 4k-ohm output resistance in order to transfer a input logic signal to the output as shown in Figure 8-2 in the datasheet.

Best regards,