This thread has been locked.

If you have a related question, please click the "Ask a related question" button in the top right corner. The newly created question will be automatically linked to this question.

SN74AVC4T245: SN74AVC4T245 will burn immediately when VCCA is connected

Part Number: SN74AVC4T245
Other Parts Discussed in Thread: TXU0304, TXU0104

Hi,

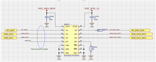
We have used 74AVC4T245RSVR-NT successfully in our project but now in our new project which usesTSSOP16 version it will burn immediately when VCCA is connected when VCCB is unpowered.

VDD_VADJ_MOD is adjustable 1.8V to 3.3V and VDD_3P3V_LS is fixed 3.3V.

We tried also SN74AXC4T245QPWRQ1 but it will burn too.

Chip start floating current about 3...10mA, depending case and VCCA voltage and level shifting/buffering is not working any more. We have this level shifter with and without any pull down/up resisitors but effect is same, burning.

br; Markku

  • Hi Markku,

    My expert on these parts is out until January, so I'll see what we can figure out in the meantime.

    -

    Currently I'm missing a lot of information. Can you help fill in what these things connect to?

    For example, you stated that "[VCCB] VDD_3P3V_LS is fixed 3.3V" and that damage occurs when "VCCB is unpowered." What exactly does "unpowered" mean? Is it a buck converter that has the enable pin driven low? Or a wire that's being manually disconnected?

    We tried also SN74AXC4T245QPWRQ1 but it will burn too.

    This is particularly concerning because the AXC family is very resilient to different power sequencing. Most likely this indicates that there's something else going on besides just having one supply in the off state. Can we get scope shots of the supply and I/O pins when this failure occurs?

  • Hi,

    VCCA power comes from BUCK and VCCB comes from LDO, VDD_3P3V_LS LDO is not enabled. 1A1...2A2 input comes from MCU which pins are floating/high-z mode so seems that 100k pull ups/downs are too weak. I got circuit working when I changed pull up resistor to 10k.

    Also level shifter which direction is opposite needs pull downs to VCCA side.

    Good thing was that chips didn't burn, they works after modifications. Bad thing is that with 100k pullup the chip stays to fail mode (high current consumption) and level shifting / buffering doesn't work so we really need to modify them.

    Could you please clarify what is minimum needed pull up/ down resistor to make circuit working reliable?

    Using 10k is not problem in our case. Other way would be to add some AND-locig from power good signal of power supplies to

    OE-control. Or what do you think?

    Br; Markku

  • seems that 100k pull ups/downs are too weak

    For the AVC device alone, 100kohms will easily hold the input at the appropriate level. You must have either (1) another resistor connected to the wire (perhaps inside a device?), or (2) additional leakage from another source. I have found that (1) is very common with microcontrollers and FPGAs being incorrectly configured -- many have built-in pull-up and pull-down resistors that can be very problematic.

    Can we get scope shots of operation? What does the signal look like with the 10kohm pull-up?

  • Hi,

    I have disconnected MCU for testing so there is only 100k pull up/down in my circuit anymore.

    This is picture from AVC. Pin goes up nicely by 100k when powers are waked up. This is fail case.

    But with AXC it depends how fast power supply rising is. A chip works if rising is slow enough but fast rising it goes to fail state. So this is difference between AVC and AXC, AXC seems work with slow power rising up and AVC not it 100k pull up is used.. Can you tell how fast it can be to ensure guaranteed functionality?

    Br; Markku

  • Hi Markku,

    For the AXC device, it looks like the dynamic pull-down resistor on that pin is activating for some reason - I'm afraid I'm not certain why, and it would be best to have my expert take a look when he returns (in about 2 weeks).

    The internal pull-down seems to have a value around 60k (based on the voltage divider produced with your 100k resistor).  Because of that, a smaller pull-down resistor should solve the voltage issue ( between 1k and 10k should be ok ).

    I don't think this explains the failure issue though -- you said it's burning the device -- do you know which pin is failing and how it fails (short, open, low impedance?), or is it just heating up in general?

  • Hi Markku,

    Firstly, I want to recommend the TXU0304 and TXU0104 to you as it would be best for your application.

    I think the floating inputs are the problem here combined with the direction in which are you are operating.

    Are you only seeing the device burn in the application where you have DIR tied high?

    Regards,

    Karan

  • Hi,

    Status update:

    Chip is not burning / damaging, When I change pull ups/downs they works.

    Chip goes to fail state if 100k pull up or 0R pull down is used and rise time of VDD is slow or fast.

    Chip goes to fail state if example 10k pull up used and rise time of VDD is fast.

    Seems that if OE is connected to GND it is not guaranteed that the chip works in all cases.

    I added FET to control OE so that it it is enabled after VDD is rose up. Now my circuit is working.

    br; Markku