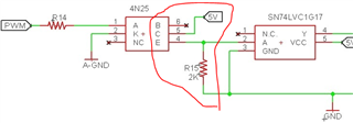
Other Parts Discussed in Thread: SN74LVC1G17
Hello,
I am searching for a TI 1 channel ic that do exactly the same as CD4050BDR (Non invert buffer but 1 ch instead of 6 channels), preferable in SOT package.
Can anyone please aadvice?
Thank you in advance





