This thread has been locked.

If you have a related question, please click the "Ask a related question" button in the top right corner. The newly created question will be automatically linked to this question.

SN74AVC16T245: Is there an unstable output or how to avoide the unstable output with different power seqeunce.

Part Number: SN74AVC16T245
Other Parts Discussed in Thread: AM26LV31E, , SN74LVC16T245

Hi,

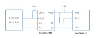
I am using SN74AVC16T245 to convert some control signals from 1.8V to 3.3V to AM26LV31E inputs. But 1.8V power sequence is lags the 3.3V. when the VCCB 3.3V is fully ramped and stable, the VCCA 1.8V shall not be start. And the 1.8V power down speed is faster than 3.3V.

The controller will set the OE_N and G_N to low when its internal logics are stable. But its VIO is 1.8V.  So before the 1.8V is fully ramped and stable, the controller cannot control its logic.

Is there glitch or unstable output risk on AM26LV31E output during the power up and power down? my goal is to hold the AM26LV31E output to low or high impedance during the power on and down. I am afraid the different power sequence may impact the output. So do i need to add a pull down resistor between B2 output and IN1 input? or more complete circuitry?

Similar question if i use SN74LVC16T245.

Regards,

Shu

  • As long as one supply is powered down, the SN74AVC16T245 disables all its outputs. So to always get a defined voltage at the outputs, you indeed need pull-up/-down resistors.

  • Hey Shu,

    Clemens is correct here, this is a feature (VCC Disconnect) for both the SN74AVC16T245 and the SN75LVC16T245. It states that if any of the power supplies (whether VCCA or VCCB) are powered off and at 0V, the outputs of the device will be placed into high-impedance. 

    Regards,

    Jack 

  • Hi Clemens, Jack,

    Thank you very much. what is the output mean? it is depended on the DIR pin? If I wish direction from A to B to pull up DIR to VCCA. But VCCA is power off or 0V. Are the B channels still outputs? Or both A and B are high impedance output in this issue, not matter what DIR is.

    One more thing, I saw a paper talk about AXC doesn’t have a glitch issue compare with other competitor device. https://www.ti.com/lit/an/scea058a/scea058a.pdf?ts=1687197520179 Do the LVC and AVC series have this glitch concern, or they are same stable as AXC.

    i wish if i add  a pull-down resistor between 74LVC16T245 output and AM26LV31E input, the singal is stable to low until both power supplies of VCCA and VCCB are fully ramped and stable.

    Regards,

    Shu

  • Hey Shu,

    Both ports (input and output) will be put into high impedance. A weak pull-down resistor can be used on the output ports so that the signal is stable low until the power supplies are ramped up. 

    As for the glitch suppression app note- this was only tested for AXC to highlight the capability. 

    Regards,

    Jack