Hi,
Is there any DXF or gerber files for this footprint ?
There few missing dimensions...
Thanks
This thread has been locked.
If you have a related question, please click the "Ask a related question" button in the top right corner. The newly created question will be automatically linked to this question.
Hi,
Is there any DXF or gerber files for this footprint ?
There few missing dimensions...
Thanks
Hi Nadav,
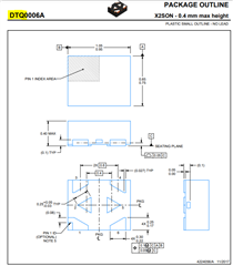
What dimensions are you referring to? Would the below from the datasheet suffice? Thanks.
Best Regards,
Michael.
Hi Michael,
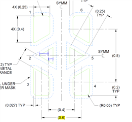
The reference point of the triangle is not in the center, see attached.
How can you calculate the coordinates to place them?
Regards,
Nadav
Hi Nadav,
I have followed up with the packaging team and will keep you updated as soon as confirmed, thanks.
Best Regards,
Michael.
Hi Michael,
Thanks for the drawing, but we still have an issue.
i assume should be an overlap for the solder paste and solder mask for all the 6 pin's.
The 2 triangles also should overlap and have some extra gap, the logic is understandable but the dimensions are not, see below:
I had set the colors according to the DS, Green-solder mask , Red-solder paste , Blue-metal.
The internal gap between the 2 solder paste triangles according to the DS is 0.21 mm.
If you calculate the 0.1445+0.072 = 0.2165 you mention above related to the solder mask and place the solder paste according to the DS you have a small deviation,0.0011 mm.
Could you please ask a DXF file for this case ? it could be helpful.
Regards,
Nadav
Hi Nadav,
Please see attached for the AutoCAD version of the ePOD , thanks.
https://e2e.ti.com/cfs-file/__key/communityserver-discussions-components-files/151/4224056.dwg
Best Regards,
Michael.
Hi Michael,
Thakns for the dwg file!
I found some deviations between the datasheet to the dwg file.
Please check.
Regards,
Nadav
Hi Nadav,
Here is another AutoCAD file showing the land pattern, stencil overlaid and to scale. The stencil lines (red) line up with the land pattern solder mask lines (green), except for the stencil offset for the center triangles. Which is needed for solder release from the stencil.
https://e2e.ti.com/cfs-file/__key/communityserver-discussions-components-files/151/4224056land_5F00_stencil_5F00_overlay.dwg
Please help confirm this works for you, thanks.
Best Regards,
Michael.