This thread has been locked.

If you have a related question, please click the "Ask a related question" button in the top right corner. The newly created question will be automatically linked to this question.

SN74LVC16T245: DIR等の使用方法などについて

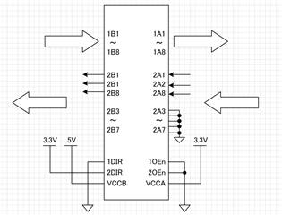
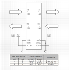
Part Number: SN74LVC16T245

Tool/software:

ご担当者様

御社製品「SN74LVC16T245」で質問があります。

A側が3.3V、B側が5.0Vで使用しておりA側がBtoA、B側がAtoBでDIRを設定しております。

この時DIRは3.3V系で制御しております。

B側でAから入力しBに出力する時GND側に引っ張るような状態となり電流が多く流れる状況が発生しております。

このICを使用する際の注意点等ありましたらご教示お願いいたします(例えば制御信号はプルアップおよびダウンが必須等)

以上宜しくお願い致します。