Part Number: LSF0102
Other Parts Discussed in Thread: TXU0102, TXU0202
Tool/software:
Hi,
I pulled off the 300 ohm pullup resistors on the input and output and was then able to drive the input to 0v (otherwise I could only drive it to 500 mV). Without the pullup resistors, however, the output will only drive up to 1.5V.
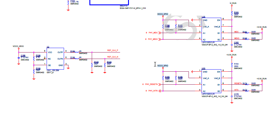
I’m working on bringing up the new Auto IOB and came across what I think is a hardware issue on the level translators. In the schematic captures below, there are 6 level translators and I found with the CAN interface that I can’t drive the STB low on pin 3 or 4 of U18. It looks like for this particular device there might need to be two different resistor values on each side – perhaps a 1550 ohm on the 5V side and a 280 ohm on the 1.2V side?



Thanks!
Jeff