Other Parts Discussed in Thread: TXB0104, , TXU0104-Q1, TXU0204-Q1, TXU0304-Q1
Tool/software:
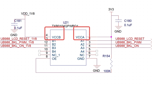
I'm trying to design a 1.8V to 3.3V circuit.,When the PCB was finished I realized that this feature was not available,Because the circuit does not satisfy the condition VCCA ≤ VCCB.Without changing the pcb condition, I want to find a new alternative material to realize 1.8V to 3.3V, I hope that the chip and the TXB0104 function is similar and PIN TO PIN.The current circuit is as follow:
It's obvious that VCCA>VCCB,so the circuit does not work.I need your help.