Other Parts Discussed in Thread: TXU0304
Tool/software:
Hi Team,
Could you please review customer's schematic and check below question about their usage?

Usage:
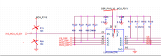
They use two power source to power Vref_A(1.8V DSP), EN and Vref_B(3.3V MCU IO)
The Enable Pin voltage is set by resistor divider from 3.3V MCU IO, same power source to power the V_REF B.
They want to control A to B channel be the HIZ status when the Enable pin is low(Control by the MCU internal Logic) because the MCU_P3.3V can not be powered down in their application.
Could they use LSF0204 like this?
Thank you,
Yishan Chen

