Part Number: LSF0108
Tool/software:
Hi,
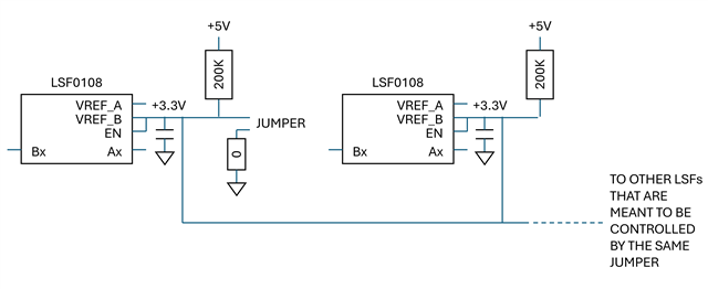
I would like to enable and disable multiple LSF0108s with the same jumper. I believe I have biased the LSF0108s properly so that they can be disabled when the jumper is populated, but is there any issue when VREF_B and EN pins between multiple LSF0108s are shorted together when they are meant to be enabled? Could the VREF_Bs or ENs somehow contend with each other?

Thanks,
Matthew
