Tool/software:
In datasheet of SN74AXC8T245 (SCES875C – MARCH 2018 – REVISED JANUARY 2024),
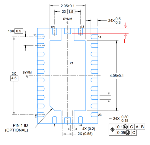
Page 32, PACKAGE OUTLINE RHL0024A,
This dimension (marked as red L below) seems missing, please provide this data:

This thread has been locked.
If you have a related question, please click the "Ask a related question" button in the top right corner. The newly created question will be automatically linked to this question.
Tool/software:
In datasheet of SN74AXC8T245 (SCES875C – MARCH 2018 – REVISED JANUARY 2024),
Page 32, PACKAGE OUTLINE RHL0024A,
This dimension (marked as red L below) seems missing, please provide this data:

Hello Chunjie,
I've forwarded your question to our packaging team. Will respond back once I heard back from them.
Regards,
Josh
Hello Chunjie,
Thank you for your patience.
This is the response I got from our packaging team:
Nominal would be 0.325mm, tolerances will be the same as lead length (+/- 100um).
Regards,
Josh
Hello Chunjie,
Of course! Let's us know if you have further questions. I will be closing this thread.
Regards,
Josh