Hi Team,
Please provide the power dissipation data for the following products.
SN74AVC4T774RSVR
SN74AVC2T245RSWR
Thanks
Hi Team,
Please provide the power dissipation data for the following products.
SN74AVC4T774RSVR
SN74AVC2T245RSWR
Thanks
Hello Allen,
Please follow this FAQ to calculate maximum power dissipation.
[FAQ] Where do I find maximum power dissipation for a device?
Regards,
Josh
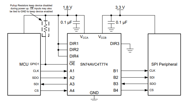
Hi Joshua,
Is it possible to calculate the power dissipation using the operating voltage and current?
Taking the following circuit as an example, what is the approximate power dissipation during operation?
I want to back-calculate the Tj parameter.

