Hi,
Could you advise the SN74LV4052A IC need external DC-bias? Or it already has Internal DC-bias?
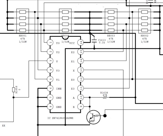
Below is portionof the circuit diagram using SN74LV4052A we appled all external DC-bias resistor to every input port.
If this IC has internal DC-bias resistor, we want to remove those external bias resistor.
Please advise.
Thanks
