Other Parts Discussed in Thread: SN74LV8151
Greetings:
I am investigating a problem for one of my customers. I've distilled the symptom down to something that can be described in simple terms. Here goes:
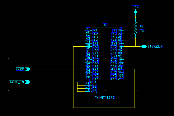
Picture a 74ABT1620 buffer. One of the input channels receives a signal that has, at times, a slow rise time. This is normal and acceptable. The output enable signal that controls the buffer is clean and makes a nice, crisp transition to the buffer off state (OE/ goes high). This occurs during the time that the input might be in an intermediate logic state, say 1.5V or something like that. The output of this buffer has a 10K pullup, and drives a very short trace over to a CMOS input (low current/10ua). What I am seeing is actual state transitions on the output for as long as 150ns after the OE/ is driven high. The datasheet prop delay from OE/ high to tri-stated output doesn't support this.
My question is this - is it possible that the output is not going to a tri-state condition because the input is not at a hard logic level when the OE/ goes high?
