My output is not reaching zero. Even the input is not g
etting to zero when I turn on the voltage translator. Red waveform is input and yellow one is output. Offset in input is due to voltage translator only
This thread has been locked.
If you have a related question, please click the "Ask a related question" button in the top right corner. The newly created question will be automatically linked to this question.
My output is not reaching zero. Even the input is not g
etting to zero when I turn on the voltage translator. Red waveform is input and yellow one is output. Offset in input is due to voltage translator only
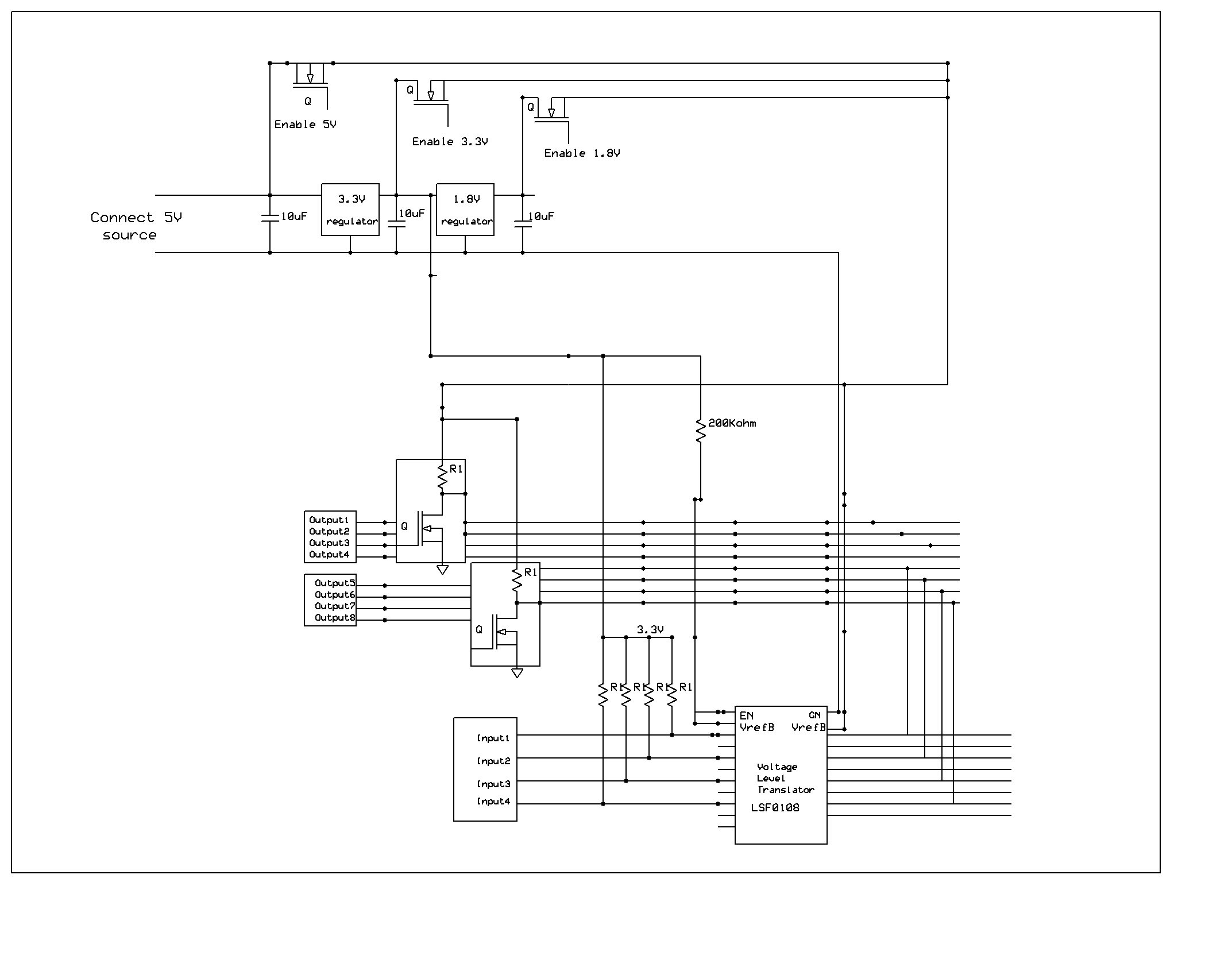
I am trying to implement bidirectional functionality using the above schematic diagram. The voltage regulators are to select the output voltage level. I always want to sense the input at the output lines 5,6,7,8 through voltage level translator. And I want the 3.3V always at the input side i.e at Vref A. While on B side I will be giving the inputs at 1.8, 3.3 and 5V pulses. 
I see several problems with this implementation.
First, you r schematic has both VrefA and B labelled as VrefB -- VrefB must be tied to EN and then connected through a 200kohm resistor to a voltage at least 0.8V higher than the voltage on VrefA.
VrefA will be sourcing current - something which most LDO regulators would not like (they are designed to source, not sink, current).
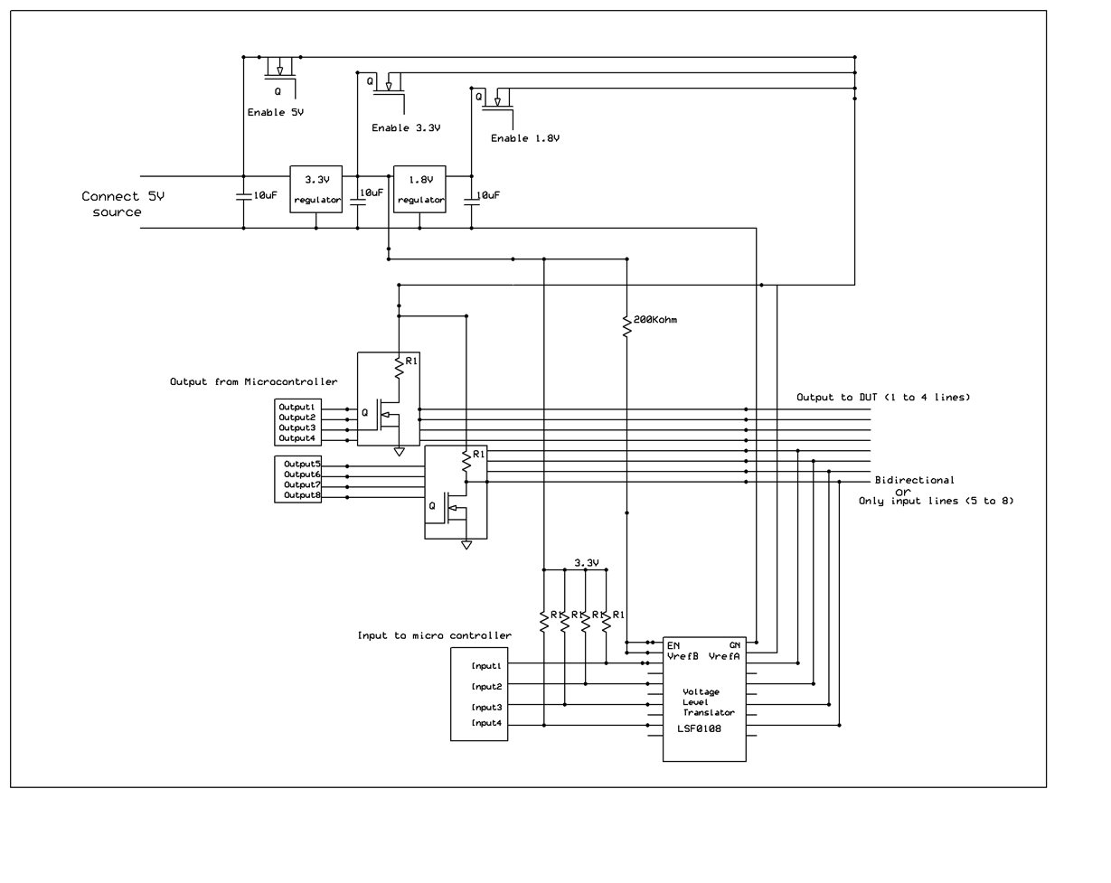
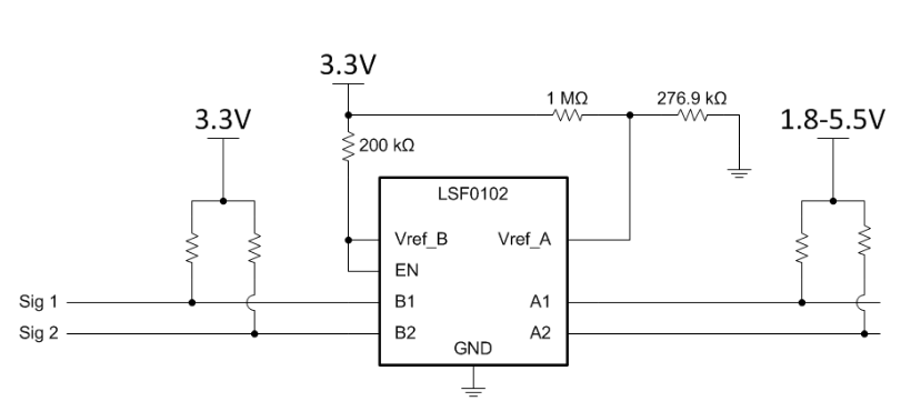
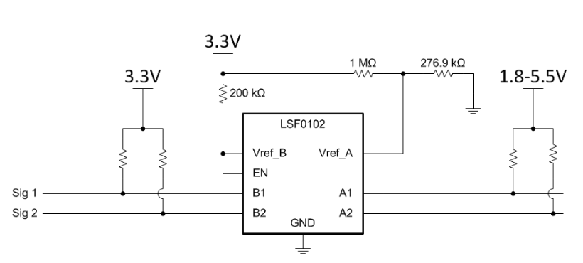
I think the fix for your system is to use the circuit I showed in this thread.
Since that circuit only relies on a single constant supply (3.3V), then you can change your output to 5V, 3.3V, and 1.8V without any issues. Note that you must have pull-up resistors on _both sides_ of the LSF device for this to work.
Hi I have tried by connecting the circuit which you have said But I am getting the same. I am giving input [3.3V - Square wave] to that from a function generator. But getting the output as constant at low value of pull up resistor value. And for high value of pull up resistor It is not reaching to High logic level(3.3V). I think that might be because when the function generator is giving zero it is not sinking the current. But Will it be the same even with the micro controller ( Will It ground the pin while giving zero as input to translator or not )
I am giving zero to mosfet from output line 5, So that the switch will be open. Now what I am doing is by enabling the 5V voltage at Vref A pull up I am giving input through a function generator at the Bidirectional pin 5 I am trying to see the output at input pin 1 (Using CRO) But the output is not reaching zero in case of small pull up resistor and is not reaching 3.3 when I am using large pull up resistor.
But When I am giving the input at Output pin 5 using function generator enabling 5V pull up I am able to see the same input which I am giving at output pin 5 at Input pin 1.
you have drawn a red line that is the input line and the pullup in the mosfet block( The mosfet will be open) acts as pullup on A side. And the blue line which you have drawn is the ref voltage for A and B side. On B side the reference is always 3.3 and on A side it will change depending on the 3.3V, 1.8V or 5V switch in on state. I am giving input pulse near the question mark line
But when I am connecting the circuit as above I am getting the output ( if the source is able to sink current) . I have replaced that ref with 1Mohm and 267kohm with 3.3V ref on both sides (which was suggested by you in first post).