This thread has been locked.

If you have a related question, please click the "Ask a related question" button in the top right corner. The newly created question will be automatically linked to this question.

SN74LV4T125: Help in my design SN74LVT125

Part Number: SN74LV4T125
Other Parts Discussed in Thread: SN74LVT125, , SN74AVC4T245, LSF0108

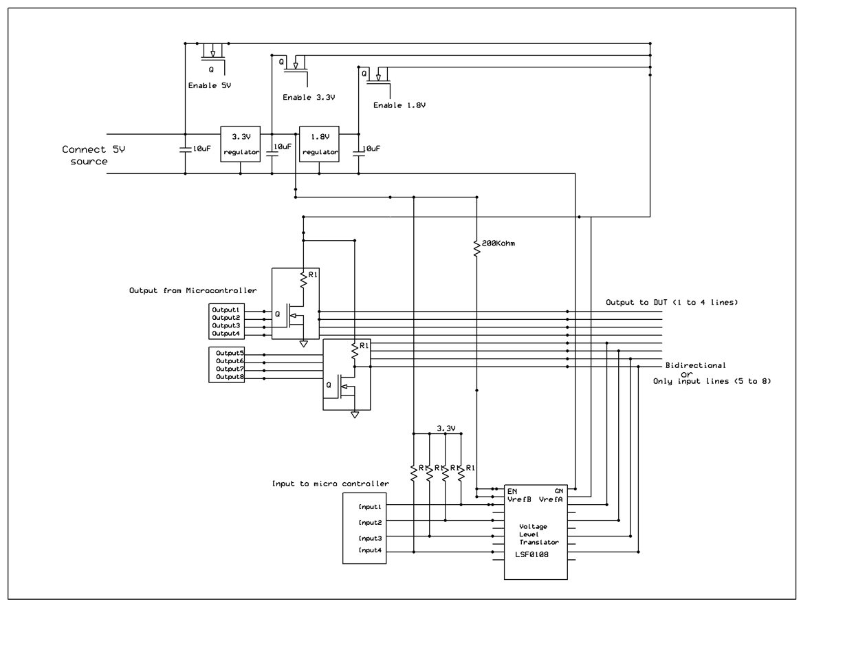
I want to always sense the input from the bidirectional line to the input pin 1 through voltage translator.  The voltage translator is used because the logic level in the bidirectional line might be 1.8 or 3.3 or 5. But my micro controller will read 3.3V logic only. Initially due to my design I have selected a bidirectional voltage translator but due to some modifications I have to use a unidirectional voltage translator. Can SN74LVT125 be used. Input signal will be at high frequency Upto 10Mhz. Will SN74LVT125 support and the current in the line will be around 50mA

  • The SN74LVT125 is not a translator.
    The SN74LV4T125 has 5V-tolerant inputs, so it can be used to down-translate from 5 V to 3.3 V. Furthermore, at 3.3 V, its minimum high-level input voltage is 1.35 V, so it can be used to up-translate from 1.8 V.

    A CMOS input has an extremely high input impedance, so it will not noticeably affect the signal. But 50 mA implies a large load, which could result in a voltage drop; ensure that the high-level voltage in your circuit actually is above 1.35 V.

    The SN74LV4T125 is perfect for this, and does not require any pull-up resistors on its outputs.
    (The SN74AVC4T245 has two power supplies, which implies that all its inputs must use the same voltage levels.)

  • Will it work from 3.3 to 3.3 translation
  • When I am using lsf0108 the problem which I am getting is the device which is giving the input(to the hardware at bidirectional pins) is unable to sink the currents from pullups. will I get any such problem with SN74LVT125? Also I am trying to implement bidirectional functionality from the above circuit. Does TI has any such small signal mosfets with current rating 100mA and operating switching frequency of around 10Mhz
  • When running with VCC = 3.3 V, the valid range for a high input signal is from 1.35 V to 5.5 V. Your 3.3 V is in this range.

    The SN74LV4T125 can sink 8 mA.

    You said you needed a unidirectional translator. Why do you suddenly need a bidirectional one? (And TI does not make separate MOSFETs.)