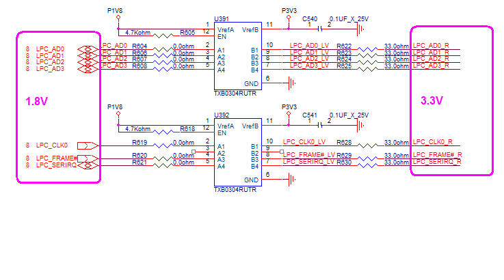
Part Number: TXB0304
Hi Team,
We’re using TXB0304 for Low Pin Count interface app. However, we have some issues on 1.8V side. Could you please explain the root cause and provide the solution for this urgent case? Thanks for your support!
Please find the schematic and waveforms (Ch1: 1.8V side, Ch2: 3.3V side) below,
There is no problem when 1.8V side is input and 3.3V is output. But, when the signal is sent from 3.3V to 1.8V side through the level shifter-
- There is a overshoot (after the failing edge) around 1V that is over the max input low voltage spec, VIL, max= 0.58V.
- The rising waveform is not smooth, it drops below the min input high voltage spec, VIH, min= 1.27V. Then the overshoot is over the max input high voltage, VIH, max = 1.9V.
Best regards,
Sam Ting

