Part Number: TXS0108E
Other Parts Discussed in Thread: DM388, WL1837, WL1837MOD
Hi, team,
My customer has some questions about TXS0108E VIH and VIL may need your confrmation.
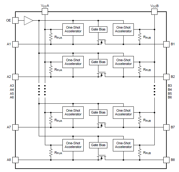
In TXS0108E datasheet, when setting A-port power voltage to 1.8V, VIH range is 1.6~1.8V, VIL range is 0~0.15V.
In customer's test, the A-port signal voltage is as below.
For LOW-HIGH, the overshoot is 1.92V, the static is 1.78V.
For HIGH-LOW, the negative undershoot is -0.177V, and the first ringing peak is 0.136V.
My questins are as below.
1. Is it okay for TXS0108E with above A-port input signal waveform LOW-HIGH and HIGH-LOW?
2. Is the VIH/VIL range so strictly small? For example, customer uses NXP LS1043A at TXS0108E A-port input side, the spec of LS1043A is VOH MIN=1.35 V, VOL MAX=0.4 V. How is the risk to use TXS0108E here with LS1043A ?
Thanks.
Johnny



