This thread has been locked.

If you have a related question, please click the "Ask a related question" button in the top right corner. The newly created question will be automatically linked to this question.

TXB0104: Signal transfer issue

Part Number: TXB0104

Hello.

We use TXB0104 got Signal transfer issue. Please reference below waveform and schematic.

We try to put OE pin to VccA and get the same issue. Please give us some suggestions.Thanks for kindly help.

waveform

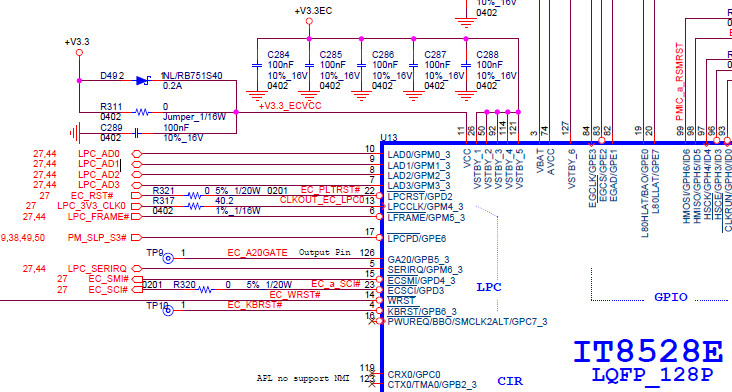
Schematic

  • Hi AJ,

    Our translation expert is out of office today so his answer will most likely be delayed. Until then I want to gather a little more info to help him answer this. First could I get a short summary of this application, what the device is being used for, which direction is the signal going when you see this issue? I notice that there is a lot of potential for increased parasitic capacitance (i.e the connector). Are your PCB traces connected to the device long? Section 8.3.3 elaborates on output load considerations and how having to much load capacitance can adversely affect the operation of the device. This will be helpful information for us to help debug this issue. Thanks!
  • Dear Dylan.
    Thank you for your reply.
    This project application is Medical IPC. CPU is Intel solution. I will check signal direction for you.
    Can I provide the layout for you to check? Thanks for kindly help~
  • Hi AJ,

    If you are allowed to share the layout, we don't mind taking a look. Also if we could get another scope shot with a time division of 50 ns/div showing the issue. I want to verify if the one shot in the device is working properly.
  • Hi AJ Cheng,

    The voltage scale is different between the 2 signals?

    what is the output loading on the 1.8V side? The TXB has some limitations on the loading it can handle.

    Is the signal causing false triggering on the receiver side since the output voltage is about 0.5V as I see from the scope shot , which is still less than the Vil of 1.8V CMOS technology.

  • Dear Shreyas.

    Thanks for help. We will try to check with Intel about LPC interface loading SPEC. May we know What kind of limitations.

    One more question about below waveform from SPEC. It looks like One shot leads to overshoot and undershoot.

    Can I series 10k Ohm resistance on LPC line or have other suggestions. Thanks for kindly help~

  • Dear Shreyas.
    Good day. Do you have any suggestions to help us?
  • Hi AJ Cheng,

    Having 10k series is excessive. A lower value of 100ohm should work fine. However, the overshoot and undershoots are not significant to cause issues since it is going 0.2V above and below the avg low and high voltage respectively.