Other Parts Discussed in Thread: TS3A5018
HI
My customers are using the SN74AVC4T774 and have encountered the following problems.
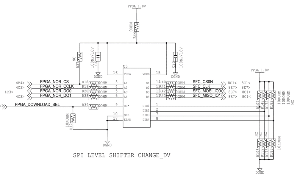
* Circuit configuration
- SN74AVC4T774 was used for NOR Flash SPI communication.
- Communicates over the Selection (OE * pin) in the DSP / FPGA.
- The OE * pin is pulled down to communicate with the Default FPGA during initial operation.
* problem
NOR flash download is possible after initial boot (wirte)
However, NOR Flash does not boot the FPGA when rebooting. (Read)
* Debugging situation
1. After removal of U5 level shifter, confirm that download and booting are normal after SPI Direct connection.
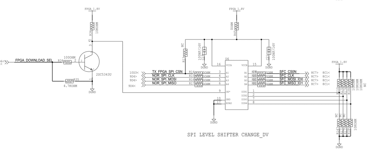
2. Remove the U6 parts and use the U5 alone.
Because it is a part dedicated to SPI communication, we applied it at this stage.
Since the part is removed and normal operation is performed, please check whether there is a debugging point in the part separately.


