This thread has been locked.

If you have a related question, please click the "Ask a related question" button in the top right corner. The newly created question will be automatically linked to this question.

SN74LVC2G17: YZP Package, pin/ball assignment?

Part Number: SN74LVC2G17

Hi, 

The datasheet is not clear about the ball assignment for the YZP package. Page 2 shows ball names 1-6:

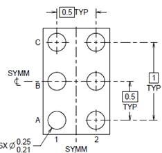
But in the package pictures on page 23/24 the balls are named A1-2, B1-2 und C1-2:

Is A-1 pin 1, A-2 pin 2, .... and A-2 pin 6?

Thanks,
  Robert

  • Hi Robert,

    Yes, pin 1 is pin A1. The following table matches all pin numbers to the ball identifiers:

    Pin # Ball Ident
    1 A1
    2 B1
    3 C1
    4 C2
    5 B2
    6 A2

    I know it doesn't really help you, but I thought I'd give a little background on why it's like this.

    The first part of the datasheet you see is created by engineers on the product team (ie people like me), while all of the mechanical drawings are created and maintained by TI's consolidated packaging team.

    Logic devices typically have simple functions and pin numbering schemes, and many of our devices have been around for quite a long time.

    TI continually works to improve our documentation -- and sometimes this creates a disparity in documentation, especially in situations like this, where two documents created by different teams are merged together as one.

    I do apologize for the confusion and inconvenience. The BGA vs traditional logic pin numbering error exists in multiple datasheets for us. We have a lot of these parts and are working to get them all updated.

    I've noted this in our errata for the datasheet so it can be fixed in the next revision.