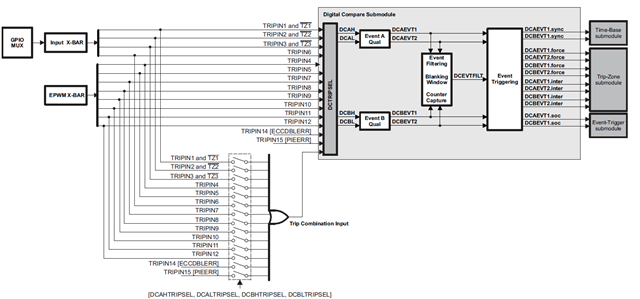
In 7.4.5.11 Digital Compare (DC) Submodule of the Technical Reference Manual, a diagram (Figure 7-156) is missing. (Page 532)

I refer to this figure of the c2000 as below to configure the DC module. In C2000, the output destination of INPUTXBAR0 is TRIPIN1 and TZ1. I configured INPUTXBAR0 and I used TRIP1 as the input to DCAH, but the running result keeps failing.

Later, looking at Crossbar (XBAR) chapter, I found that the destination of INPUTXBAR0 has TZ1 instead of TRIPIN1, but is connected to PWMXBAR0 to TRIP1.


After I added the PWMXBAR configuration, the project ran normally.
I think the absence of this figure 7-156 may cause unnecessary confusion for some new users, it is better to correct it quickly or remind it in some places.

