1) we are trying to using sample code of rx signal through can . please tell me can we used for sending a message through any CAN BUS analyzer or need anything proper else and connection line TX -> RX , RX -> TX or any thing else suggest me .
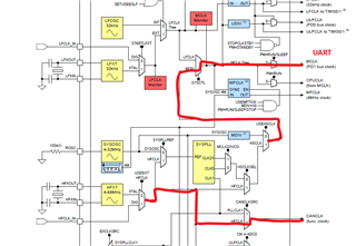
2) can we used two different clock for uart and can in same MCU . ( one is internal and another in external ).
