Other Parts Discussed in Thread: SYSCONFIG,
Tool/software:
Hello!
I am using the MSPM0L1304 and want to use pin PA20 (SWCLK) as a digital output. In the SysConfig() “Debug On SWD Pins” is activated.
My main() looks like this:
int main(void) {
SYSCFG_DL_init();
if (DL_GPIO_readPins(BTN_PORT, BTN_DI_SWITCH_PIN)){
DL_SYSCTL_disableSWD();
DL_GPIO_enablePower(GPIOA);
DL_GPIO_initDigitalOutput(IOMUX_PINCM21);
DL_GPIO_enableOutput(GPIOA, DL_GPIO_PIN_20);
DL_GPIO_setPins(GPIOA, DL_GPIO_PIN_20);
}
while (1) { }
}
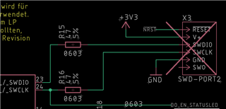
In the circuit diagram, I have placed an LED with a series resistor parallel to the SWCLK pin. The LED also pulses during the flash process.
I can't manage to set the SWCLK pin to logic high to supply the LED.
I have read that the debugger may be blocking the interface.
However, I can't manage to set the pin to high even if I just flash.
Perhaps you have a tip for me.
Best regards, C. Zwingmann