Hi guys,
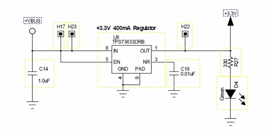
Hope this is the right place to ask this. I'm wondering what the easiest way is to bypass the linear regulator on VBUS. I want to supply a more efficient 3.3V to the Launchpad through my own booster pack. From the attached picture it looks like I can just cut the tracks leading to the 3.3V rail and supply 3.3V to J1.01. Is this understanding correct? Also what is H22 in this diagram? 