Hello All.
I am considering purchasing the EK TM4C1294, but before i would like to know how i could achieve the following:
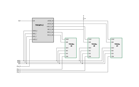
- Using 3 of the SPI interface's (0,1 and 2) as master, being connected as the image below(x3), but what concerns me the most is if i connect SSIFss to the nSCS_C in TMC429, can i assign other GPIO to select the other 3 IC?
- Let's assume it's possible, i.e.
PA0 to TMC26x #1
PA1 to TMC26x #2
PA6 to TMC26x #3
to send info to #2, do i need to assert SSIFss and PA1 low at the same time and initiate the data transfer, or just pull PA1 low and start the data frame?
Regards,
Nuno

