Other Parts Discussed in Thread: TM4C129XNCZAD, UNIFLASH
Hello,
I have 2 custom make PCB that built with brand new tm4c129xnczad. The problem is both boards fail to connect to JTAG by using DK-TM4C123G evaluation board as debugger. I think DK-TM4C123G debugger is working as it can be used to connect to another boards.
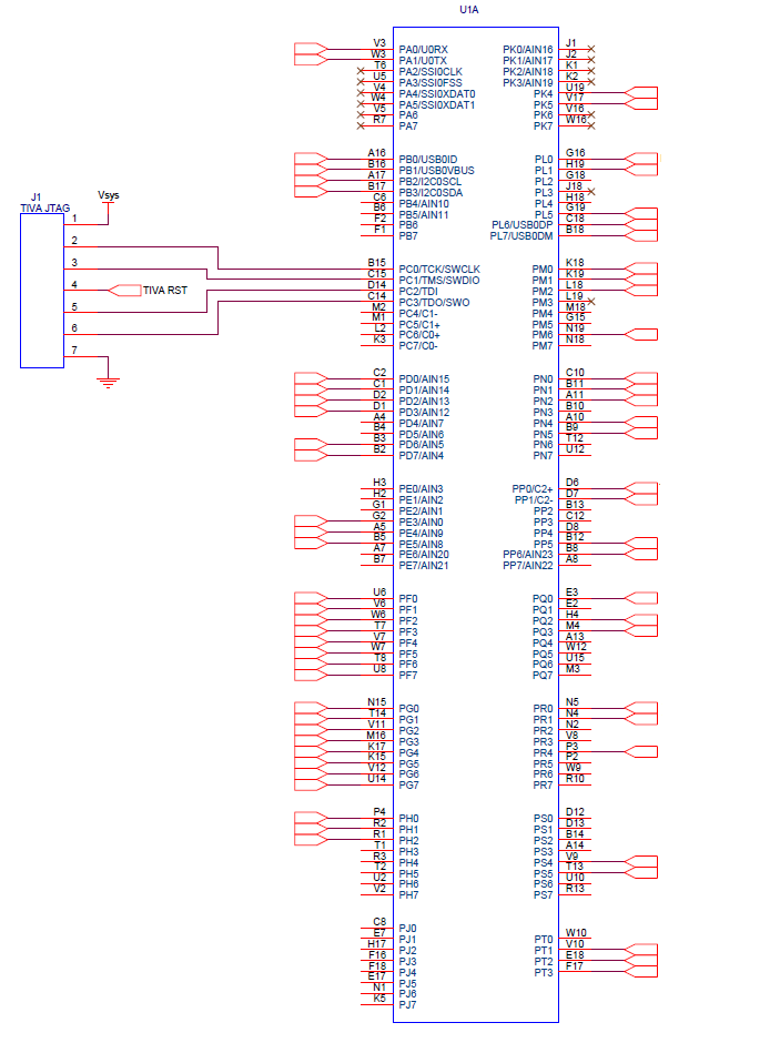
The schematic design of the custom board is based on DK-TM4C129X. The exception is no 32.768KHz crystal, Ethernet pins are NC, HIB is NC, Wake pin is pull-high. I believe the above differences should not make the JTAG connection fail. In additional to CCS, I have tried to use Uniflash program, Unlock procedure, slower JTAG clock rate, but do not help.
Any debug idea is welcome.
Thanks,
Benson

