Hi all.
I've have strange behaviour with my ethernet controller.
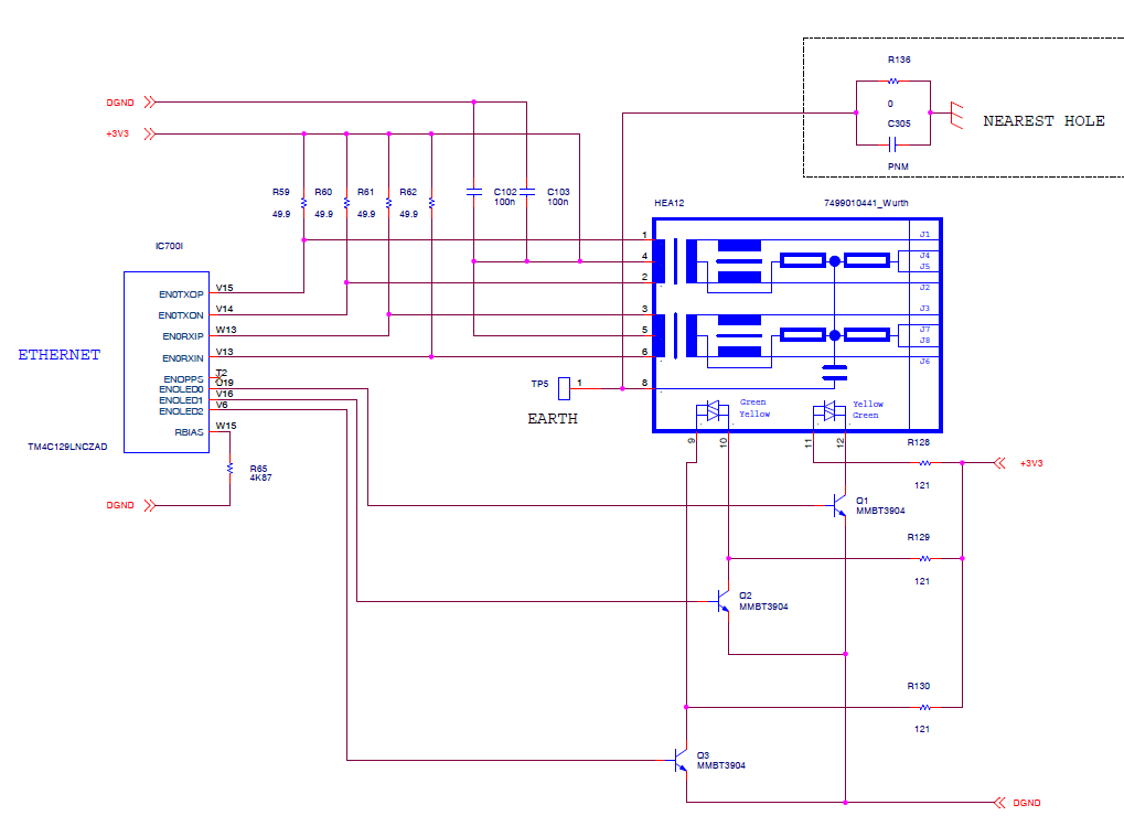
I've done a small program on TM4C129 development board with a TCP/IP echo reply server and works fine.
I've put the same program over my hardware (where I copied the same PCB layout) and the ping doesn't work as on Dev board.
On window after connect the cable the ethernet says "Identification .." and then disconnect.. and so on.
The only difference is the tranceiver ethernet LAN-Übertrager WE-RJ45LAN 10/100BaseT from Wurth.
Thanks,
Regards,
MarcoC



