Part Number: TM4C1294NCPDT
hello
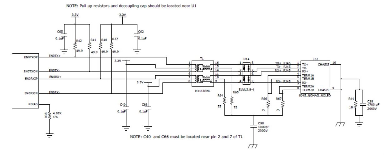
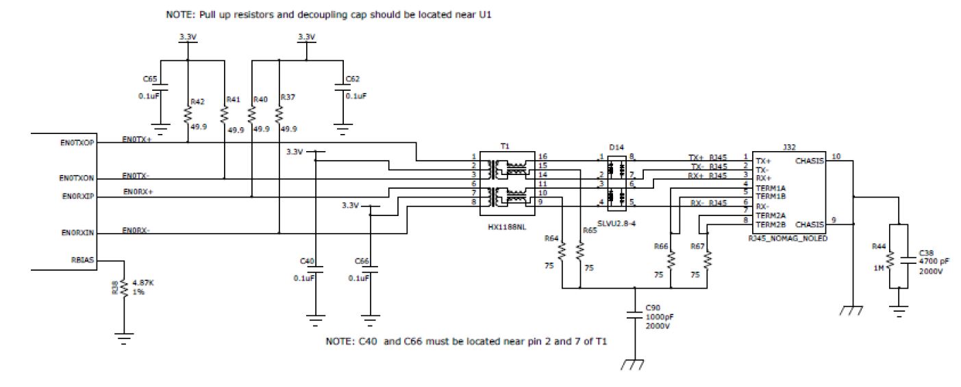
i have used the TM4C1294NCPDTI for the SC card which communication with linecard,the SC card have completed 3 years ago,and the linecard just finished in this year,for some historical reasons,the SC card must be used capacitor for AC couple,but the OTDR module have a transformer inside it ,so,i must used a transformer connected to OTDR module back to back on linecard ,now it's working well,please refer the below figure
on the M4 side ,i have added 49.9ohm pull up resistor to 3V3, but on linecard ,there are only 5V power supply on it,so ,i connected the CT of transformer to 5V(because,it's AC couple,i think, it's not important that add different voltages at both side of capacitor)
is there any risk in the linecard design,if change the voltage of CT to 2.5V or 3.3V,whether is better than now?
please check it ,and give me your advise,thanks

