Other Parts Discussed in Thread: ENERGIA
Hello everyone,
We are developing an app what communicate by TM4C1294NCPDT with iOS devices,
however, it returns 'Host is down' or 'Timeout' while PING TM4C1294NCPDT on iOS devices expect Windows and Android phone,
we tested on iOS 12, 13, even 14 and this test confirmed under same network.
Besides, we developed on TM4C1294 LaunchPad Evaluation Board perviously and iOS devices can PING it without any issues.
We have no idea that why iOS devices cannot PING the designed board (TM4C1294NCPDT) and this board is based on Evaluation Board's design.
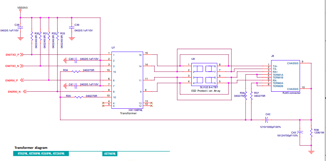
Attached is the circuit diagram what we design.
Please kindly advise us. Thank you!
 
				 
		 
					 
                          
 
				