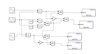
Part Number: LAUNCHXL-F280049C
I'm working on a Simple Boost PWM at a 10KHz switching frequency for my Quasi Z source inverter. I've developed a Simulink model for this purpose, set to run on LAUNCHXL-F280049C(C2000). Could someone confirm if my approach is correct? Any assistance would be appreciated.
GPIO Pins used: GPIO8, GPIO9, GPI10, GPIO11
The pictures of the Simulink model and SBPWM are attached.

