Hi,
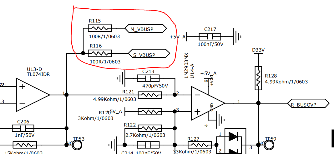
my customer is using F28075 and F280049 to measure the same voltage signal VBUSP as shown below, M_VBUSP is connected to F28075 ADC A3, S_VBUSP is connected to F280049 ADC C5.
The signal to be sampled is the blue line below, we can see there is 2Hz ripple.
With F28075's ADC, the ADC result is logged and the digitized result is the red line, which also has 2Hz ripple:
With F2800049's ADC, the ADC result is logged and the digitized result is the green line, which doesn't have 2Hz ripple:
The absolute value is similar, the problem is that with F280049's ADC, the 2Hz ripple is somehow filtered out in the digitized ADC result.
The input filter RC is the same for F280049 and F28075. And the external reference of ADC is shared between F28075 and F280049.
Both AD are converted in 18kHz, which is the same as the PWM frequency.
We have tried to increase the AD S+H window duration from 10 SYSCLK to 100SYSCLK, which doesn't help.
We have tried to adjust the sample sequence of F280049, for example, C1-C2-C3-C4-C5 to C1-C5-C2-C3-C4, and it doesn't help.
We've no idea why we can't see the 2Hz ripple in the digitized ADC result.
 
				 
		 
					 
                          



