We are working with the component MSP430FR50431IPM for flow meters using ultrasonic sensing.
We are encountering issues where a significant percentage of our boards are getting damaged, primarily in the analog interface between the MSP430FR50431 ultrasonic device and the sensor.
The issues we encounter during operation or assembly of usable boards, are as follows:
- The device reports error code 122, which normally indicates a valid result with no algorithm error, even when the ultrasonic sensor is not connected — instead of code 126 on a fully functional board.
- The device fails to detect water flow in the pipe when the digital I²C interface (in our case functioning as the control interface) is working normally.
- The device does not operate and cannot be programmed.
In all of these cases, replacing the MSP430 device resolves the problem.
Our board is battery-powered and not earth-grounded.
I am concerned that the device is sensitive to ESD, and currently we have no protection on the ultrasonic sensor interface.
Our design is based on your EVM.
- Do you recommend adding protection components to the ultrasonic sensor interface?
- From your experience, which types of protection are appropriate?
- What is the maximum capacitance allowed on the following ultrasonic interface pins: CH0_IN, CH0_OUT, CH1_IN, CH1_OUT?
Perhaps you have another idea about what could be causing the issue?
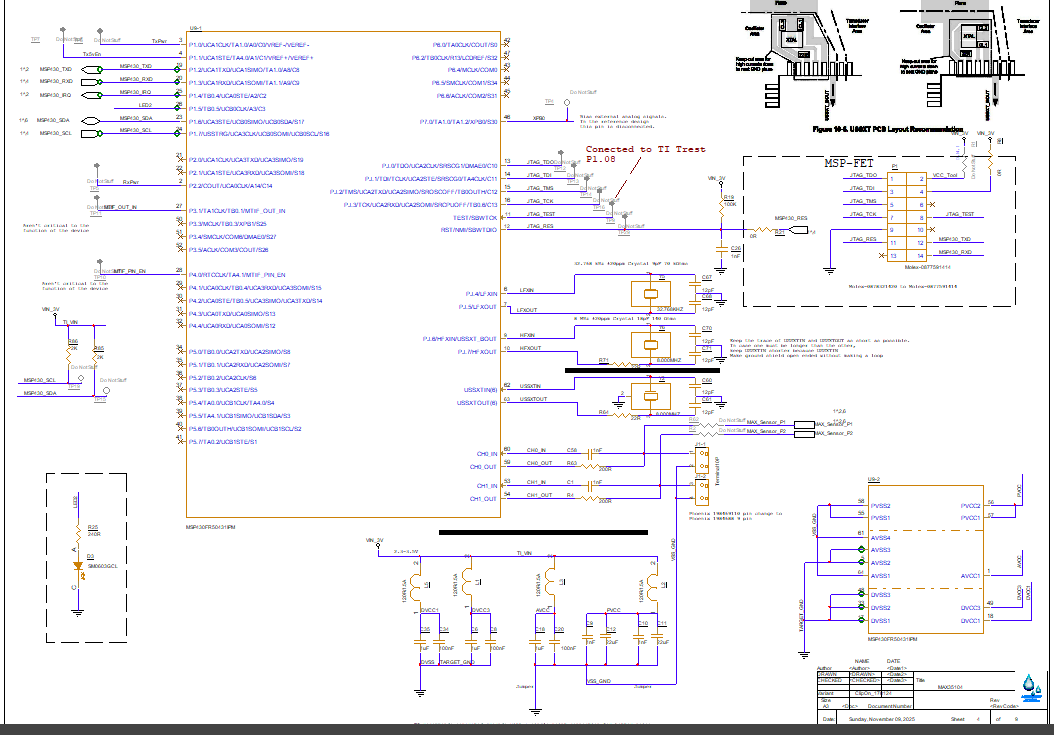
Attached is an electrical schematic of the device. The ultrasonic sensors are connected directly to the pins: CH0_IN, CH0_OUT, CH1_IN, CH1_OUT
Your prompt feedback would be greatly appreciated.
Avraham
