Hello,
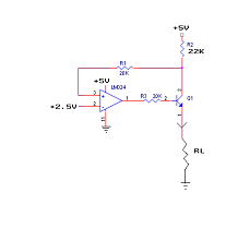
I have an appln. which require a PTC thermistor ( switching type, for motor winding temp. sensing appln) to be interfaced with MCU(msp4305xx) for temperature sensing. The thermistor will embedded on stator winding.The hw ckt will excite the PTC using constant current source.And mcu(adc) measure the voltage across it.
a)how to convert the adc value to realistic temperature value as the characteristic of the PTC thermistor is non-linear.What are the firmware method to be applied.
b) what should be the excitation current thru' Thermistor.should 0.1 mA be ok?
the details as follows:
Total Resistance in Cold State = 1.5 K Ohm Per Sensor
Response Value 3.6 K Ohm.
Reset Value 1.6 K Ohm
rgds,ars
