Hi,
A bay area customer has inquired on the following:
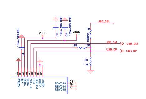
"We followed the reference schematic for attaching BSL and came up with this:
[See attached image 1]
We have a circuit that drives the signal labeled USB_BSL high based on a button push.
My question, is it OK for us to disconnect the USB_DP line from the circuit that drives PUR?
Such as this:
Thanks for your help,
Luigi Evalle

